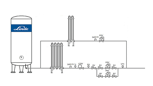
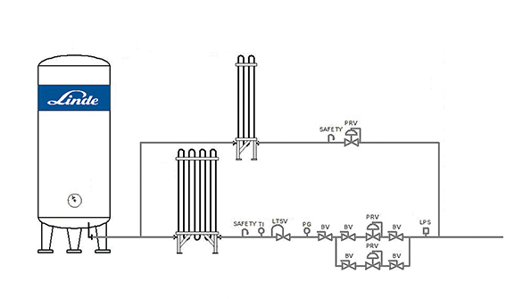
LINDE LLC helps companies operating heat treatment furnaces to improve safety by installing a protective-atmosphere safety monitoring system in compliance with the National Fire Protection Association’s “Standard for Ovens and Furnaces” (NFPA 86). Heat treatment furnaces depend on nitrogen supply to help operators initiate a safety purge with inert gas of the flammable atmosphere, and NFPA 86 requires proper monitoring and controls to reduce fire and explosion hazards. The Linde safety solution is designed to monitor nitrogen supply levels, and signals operators to low conditions with an audible alarm and strobe.
To help ensure availability of supply for the flammable atmosphere nitrogen purge, the integral alarm panel provides indicators for low liquid-nitrogen level, low nitrogen pressure, and low nitrogen-supply temperature.
The Linde furnace safety solution can be installed on new or existing nitrogen supply systems for all common types of heat treatment furnaces, and can be customized to the particular needs of the operation. Safety monitoring systems are a standard part of Linde heat treatment technology upgrades like the following:
• Furnace gas mixing technology. The patented Carbojet® gas injection technology can improve the productivity of heat-treatment furnaces without the use of circulation fans. The ultra-high-speed injection system improves atmosphere circulation for more homogenous mixing and improved heat transfer.
• Oxide-free parts annealing. The Hydroflex® atmosphere control system offers a universal solution for clean and bright oxide-free annealing of steel, stainless steel, copper, bronze or brass, with high reliability and repeatability. Many annealing tasks can be completed with non-flammable gas mixtures containing less than 5% hydrogen.
• Sintering atmosphere control systems. Linde offers total atmosphere control in sintering powder-metal parts with the Sinterflex® atmosphere control system. The system has effectively doubled the number of parts in-specification, resulting in significant cost savings.
With each installation, Linde application engineers conduct safety training that covers the properties of nitrogen, storage tank fundamentals, material compatibilities, and emergency procedures.
Linde has experience in heat treatment for all common furnace types, from continuous to batch type furnaces, including roller hearth, pusher, pit or rotary-retort. That experience includes all typical protective atmospheres, from pure nitrogen, pure hydrogen, nitrogen/hydrogen, nitrogen/hydrocarbon type atmospheres to endothermic gas, exothermic gas, and monogas atmospheres.
Learn more at www.lindeus.com

