Physical Model of Electric-Field Effect on Composite Material
One promising direction in the technology of creating composite materials with a metal matrix is the use of the effects of external fields of various physical nature — ultrasonic, electromagnetic, and also elements of plasma technologies[1–8]. As shown[9-16], the use of electromagnetic effects at the stage of modifying aluminum alloys, cast irons, steels, as well as at the stage of its crystallization during casting and thixolite, allows reducing the grain size of the α phase and preventing the development of dendritic structure, increasing alloy density and strength, reducing porosity, and increasing hardness. The electric field also is used in the preparation of aluminum matrix composite materials[6-8].
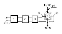
The purpose of this work was to determine the degree of influence of electrophysical treatment of a composite material based on AK 12 alloy on its mechanical properties. The processing of this composite material with the electric current in the pass-through capacitance was carried out according to the electrical circuit shown in Figure 1.
The values of inductance and electric capacitance of which the rectifier LC filter consisted were selected in such a way that the value of the ripple factor was 1.5. The used value of the pulsation coefficient was chosen to optimize the processing of the liquid alloy, taking into account the phenomenon of polarization of the electrodes. The specific power of the electric current was calculated by the power supplied to the electrodes, referred to the mass-flow rate of the liquid composite (kg/s), poured from the pass-through capacity into the molds. The value of specific power for a given passage capacity was 650 to 663 J/kg.
Measurements were made of the mechanical properties of the original AK12 alloy and ALKM on the basis of the AK12 alloy with the addition of composite particles, carried out without an electric field and with an impact, the results of which are presented in Table 1.
These changes in the mechanical properties indicate the influence of the electric field of the current on the process of forming the interface between the metal matrix and the dispersed inclusion. Hardening the interface structure causes an increase in strength of the CM structure.
The effect of the electric field of the current on the metal melt and its components is ambiguous. A number of physical phenomena occur that affect the intensity of the interaction between the composite filler and the liquid matrix. In our opinion, the action of the electric field of the current on the formation of the structure of the metal-matrix composite material can be represented by the following steps:
- Set the stationary mode of flow of current in the melt containing the composite filler;
- Particles of the dispersed material (DMP) under the influence of an electric field interact with the melt and the interface begins to form;
- As a result of the flow of electrical contact, surface phenomena, the charge of an electrical double layer that occurs at the interface of a metal melt with particles of a composite filler introduced into it increases, and qualitative changes of the interfaces occur.
To solve the problem of the further development of promising methods for obtaining CM, in which electrophysical processing is applied, it is necessary to develop and use a physical model of the influence of the electric field on the formation of the CM structure. Formalization of the physical model will allow optimizing the modes of electrophysical processing of CM, taking into account the used alloy and composite filler.
The physical model, which can explain the appearance of the effect of an electric field, should, in our opinion, take into account the peculiarities of physical phenomena associated with mass transfer in a metal melt and the occurrence of polarization electric charges on the surface of composite particles. As metallographic studies have shown, a physical model can be applied to describe the processes occurring in CM when it is processed by an electric field, which is schematically shown in Figure 2.
At the second stage (Figure 2, E ≠ 0, position 2), the electric field strength E is not zero, polarization charges appear on the surface of the composite particles, and energy fluctuation W occurs. The probability of this fluctuation of energy W according to Einstein’s formula is equal to[17]:
where A is the electrical energy of the composite particle, k is the Boltzmann constant; T is the temperature of the metal melt.
In this case[17] work A is:
where 𝑞𝑜 is the initial polarization electric charge (Кл), 𝜑 is the potential (B).
Then, the volume density of the electric charge Q will be equal to
where V is the particle volume of the composite.
Under the influence of the electron-ion flow in the melt created by an external electric field, on the surface of the particles of the composite 3 (Figure 2, E ≠ 0, position 2),
an additional electric charge ∆q occurs. This leads to an increase in the bulk density of the electric charge Q of particles CМ:
where ∆q is the increment of the particle charge of the composite.
Also, as a result of the flow of electric current, Joule heat is generated in the matrix melt, which leads to the formation of convective currents (Figure 2, E = 0, position 4), which intensify the movement of CM particles in the melt. These movements of composite particles contribute to a more uniform distribution in the volume of the matrix melt of reinforcing filler.
At the third stage (Figure 2, E = const, position 3), additional layers of metal ions 5 are formed on the surface of the charged particles of the composite under the influence of electrons and ions accelerated by the electric field, moving along the molten metal and causing an electric current. In this case, as is well known, the Joule heat value is proportional to the square of the current that occurs in the metal melt during processing.
When the voltage is turned off (Figure 2, E = 0, position 4), that is, when the passing capacity with the melt is disconnected from the source, the system relaxes to a new equilibrium state. At this final stage, there is a merging of charged particles of CM with each other due to the interaction forces obtained due to the charges formed by ions on their surface. Due to this, there are spatial formations of filler particles 6 that serve as a “skeleton” for the formed structure of CM. This hardening of the structure causes the growth of mechanical and operational properties, treated with an electric field CM, which leads to the appearance of the effect of external influence (EE) forming the structure of СM.
The result of these effects is the improvement of the conditions for the formation of interfacial boundaries, which determines the conditions for the process of adhesion of the particles of the composite with aluminum alloy and contributes to the hardening of the structure of alumomatric CM.
The above results on the effect of electric current on the properties of alumina composite materials are consistent with the results of research, which used the influence of electromagnetic fields, in particular, electric current on the properties of aluminum alloys, when the electromagnetic effect was in the processes of alloy modification and crystallization[9-16].
Thus, the electrophysical effect leads to an increase in mechanical properties due to the influence of the electric field on changes in the structure of the boundary layer formed between the inclusion of the composite and the metal matrix. The hardening of the CM structure is possibly due to physicochemical phenomena occurring at the interface under the influence of an electric field. Using this method to obtain alumomatric CM will give an economic benefit due to the hardening of the structure of the CM, and increase the operational reliability of machine parts made of CM. G. N. Minenko is the head of the Resource Center for the Ministry of Industrial Engineering Education, Moscow. Contact him at [email protected] S. L. Timchenko is faculty member of the Bauman Moscow State Technical University, Dept. of Physics. Contact him at [email protected]
REFERENCES
[1] Batyshev A.I., Batyshev K.A., "Production of Castings from Composite Materials with a Metal Matrix," Foundry - 2016, No.4, pp. 17-23.
[2] Krushenko G.G., "The Role of Nanopowder Particles in the Formation of the Structure of Aluminum Alloys," Metallurgy of Mechanical Engineering - 2011, No.1, pp. 20-24.
[3] Yang Y, Lan J, Li X, "Study on Bulk Aluminum Matrix Nano-Composite Fabricated by Ultrasonic Dispersion of Nano-sized SiC Particles in Molten Aluminum Alloy," Material Science and Engineering - 2004, Vol. A380, pp. 378-383.
[4] Casati, R., Vedani, M., "Metal-Matrix Composites Reinforced by Nano-Particles: A Review," Metals – 2014, Vol. 4, pp. 65-83.
[5] A. Sanaty-Zadeh. "Comparison Between Current Models for the Strength of Particulate-Reinforced Metal Matrix Nanocomposites with Emphasis on Consideration of Hall-Petch Effect,” Material Science and Engineering – 2012, Vol. A531, pp. 112-118.
[6] Minenko, G.N. "A Method of Processing Aluminum-Matrix Composite Materials by an Electric Field," Metallurgy of Mechanical Engineering - 4, No.2018, pp. 42-44.
[7] Minenko G.N. "The Mechanism of the Effect of an Electric Field on Composite Aluminum Matrix Composites," Casting of Ukraine, No.5, 2018, pp. 2-3.
[8] Minenko G.N. "Method of Electrophysical Processing of Metal-Matrix Composite Material," Casting of Ukraine, 2018, No. 7, pp. 2-3.
[9] Korobova N.V, Aksenenko A. Yu., Tarasov F. Ye., Friesen V. E., Luzgin V.I., and Fatkullin S.M. “On the Electromagnetic Effect On the Aluminum Melt when it is Modified," Metallurgy of Mechanical Engineering, 2013. No.1. pp. 8–11.
[10] Korobova N.V., Aksenenko A. Yu., Luzgin V. I., Frizen V. Ye., Shevchenko S. Yu., “The Evolution of the Microstructure of Cast Aluminum Alloys Under the Hydrodynamic Influence of Electromagnetic Fields on the Melt," Procurement Production, 2015, No.7., pp. 43-48.
[11] Deev V.B., Selyanin I.F., Nokhrina O.I., Bashmakova N.V. “The Influence of Temperature Processing and Electric Current on the Properties of Aluminum Alloys,” Procurement Production in Mechanical Engineering, 2008, No.4, pp. 50-53.
[12] Kolchugina I.Yu., Selyanin I.F. "The Influence of External Influences on the Microstructure of the Crystallizing Alloy, Foundry, 2009, No.8, pp.13-15.
[13] Deev V.B., Selyanin I.F., Ri Hosen , Tsorina S.A., and Ponomarev K.V. "Effective Technologies for Processing of Melts in the Production of Cast Aluminum Alloys," Liteischik Rossii, 2012 , No.10., pp. 19–21.
[14] Timchenko, S.L. "Study of Alloy Crystallization Under the Action of Electric Current,” Melts, 2011, No.4., pp.53-61.
[15] Timchenko S.L., Kobeleva L.I. "Features of the Dendrite Structure of Silumin AK12 During Crystallization Under the Action of Current," Physics and Chemistry of Materials Processing, 2013, No.4, pp. 78-83.
[16] Timchenko S.L., Zadorozhnyy N.A. “Features of the Formation of the Structure of the Alloy AK 12 During its Crystallization Under the Action of Current,” Foundry, 2016, No. 8., pp. 11-14.
[17] Darken L.S., Gurri R.S. "Physical Chemistry of Metals," M. Metallurgizdat, 1962, p.582
[18] Missol V., "Surface Energy Phase Separation, M. Metallurgizdat, 1978, p.176.
[19] Damascin B.B., Petriy O.A., "Introduction to electrochemical kinetics,” М. High School," 1983, p.400.
[20] Rusanov A.I., Levichev S.A., Zharov V.T., "The Superficial Separation of Substances: Theory and Methods,” L.: Chemistry, 1981, p.184.
About the Author
G. N. Minenko, Ph.D.
Associate Professor and Head of the Resource Center of Mechanical Engineering
Georgy Nikolaevich Minenko, born 1946, Ph.D. in Technical Sciences, Associate Professor, Head of Resource Center of the Mechanical Engineering Branch of the Ministry of Education of the Moscow region.
S.L. Timochenko
S. L. Timchenko is faculty member of the Bauman Moscow State Technical University, Dept. of Physics.








